МегаVolt
На форуме 19 лет
Сообщения: 7666
Откуда: Магнитогорск
Авто: Очень злобный овощ и корейская недвижимость
salgal
лампочки справа проверь, переключатель не при делах скорей всего
Valdemar
На форуме 17 лет
Сообщения: 494
Откуда: Волгоград
Авто: ВАЗ-2107 => ВАЗ-21103 => Lancer 1.6
Andre_i_ka
Выложи полное описание, со схемами и прочим.
salgal
На форуме 16 лет
Сообщения: 2337
Откуда: Омская область.Ко-ло-со-вка.
Авто: Ваз 21102 . Kia Sportage. Nissan Expert . .Mitsubishi Lancer седан VII 1.3 Ниссан Альмера 1.5. II .Ваз 2115.1.5 2001.Хатчбек
Realmatroskin писал(а):salgal
лампочки справа проверь, переключатель не при делах скорей всего
Маргают все- пробую на плохой контакт проверить.
Andre_i_ka
На форуме 16 лет
Сообщения: 65
Откуда: Южный Урал
Авто: ВАЗ 21102 (продал)
Valdemar
В понедельник выйду на работу , соберу в один архив и выложу.
salgal
На форуме 16 лет
Сообщения: 2337
Откуда: Омская область.Ко-ло-со-вка.
Авто: Ваз 21102 . Kia Sportage. Nissan Expert . .Mitsubishi Lancer седан VII 1.3 Ниссан Альмера 1.5. II .Ваз 2115.1.5 2001.Хатчбек
Realmatroskin
СПасибо завтра буду смотреть.
МегаVolt
На форуме 19 лет
Сообщения: 7666
Откуда: Магнитогорск
Авто: Очень злобный овощ и корейская недвижимость
salgal
моргают как с той же частотой что и слева или чаще? если чаще то скорей всего где то коротыш, если моргают все лампы
salgal
На форуме 16 лет
Сообщения: 2337
Откуда: Омская область.Ко-ло-со-вка.
Авто: Ваз 21102 . Kia Sportage. Nissan Expert . .Mitsubishi Lancer седан VII 1.3 Ниссан Альмера 1.5. II .Ваз 2115.1.5 2001.Хатчбек
[quote="Realmatroskin"]
salgal
моргают как с той же частотой что и слева или чаще? если чаще то скорей всего где то коротыш, если моргают все лампы[/quote Чаще чем левая сторона раза в 3-4- моргают поворотные лампы задние и передние с правой стороны.Это моргание было потом исчезало,и и вроде как все-таки это в руле,потому что исчезало после щелчка переключателя на повороте.
Andre_i_ka
На форуме 16 лет
Сообщения: 65
Откуда: Южный Урал
Авто: ВАЗ 21102 (продал)
salgal
Попробуй выдернуть реле поворотов из блока предохранителей, вместо неё поставить перемычку между контактами 49 и 49а. Теперь при включении переключателя поворотов на лампы будет подаваться постоянное напряжение 12 вольт. Так проще искать где не контачит, методом шевеления проводов, разъёмов. Если при включении правого поворота лампы горят не в полную яркость, а при нажатии аварийки загораются ярче, значит причина скорее всего в переключателе или в цепи соединения этого переключателя.
Realmatroskin
Частота вспышек реле прерывателя не меняется при превышении определённого тока нагрузки равного сумме тока двух ламп поворота (передний, задний) и одной лампы повторителя. В случае перегорания одной из них - ток уменьшается и частота вспышек увеличивается, сообщая водителю о неисправности.
МегаVolt
На форуме 19 лет
Сообщения: 7666
Откуда: Магнитогорск
Авто: Очень злобный овощ и корейская недвижимость
Andre_i_ka
ток не уменьшается, меняется сопротивление, как следствие ток проходящий через реле и лампочки меняется, отсюда изменяется частота мигания ламп, то же происходит при коротыше(может через сопротивление на корпус пробивать) получается
salgal
На форуме 16 лет
Сообщения: 2337
Откуда: Омская область.Ко-ло-со-вка.
Авто: Ваз 21102 . Kia Sportage. Nissan Expert . .Mitsubishi Lancer седан VII 1.3 Ниссан Альмера 1.5. II .Ваз 2115.1.5 2001.Хатчбек
Realmatroskin
Andre_i_ka
Спасибо мужики -точно лампа задняя сейчас поймал момент -плохой контакт где-то просто в слепую пошевелил(темно)-и сразу нормальное мигание.Я до этого включал повороты выходил смотрю оба мигают-а сейчас только передний мигал-пошевелил и задний замигал ну и на приборке сразу частота стала как на левом нормальная,еще раз спасибо.А еще думаю что Гбдд-шник так пристально вслед смотрел когда я поворот закончил.
Andre_i_ka
На форуме 16 лет
Сообщения: 65
Откуда: Южный Урал
Авто: ВАЗ 21102 (продал)
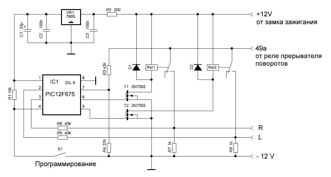
Вот как и обещал архив со схемой и описанием, а также схема. Разработка не моя,всё взято по ссылке
http://renault-club.by/19/povorot.php. Я лишь подкорректировал схему и прошивку.
| trafficator.GIF |
| Описание: |
|
| Размер файла: |
16.86 KB |
| Просмотрено: |
539 раз(а) |

|
| trafficator.zip |
| Описание: |
|
Скачать |
| Имя файла: |
trafficator.zip |
| Размер файла: |
131.39 KB |
| Скачано: |
454 раз(а) |
Andrew White
На форуме 17 лет
Сообщения: 6932
Откуда: St.P
Авто: FM4
Gloom
Chip 'n Dale типо)))
На форуме 23 лет
Сообщения: 22716
Откуда: там где пахнет подсолнухом
Авто: Tiguan 2020, Kuga 2015, Stepway 2013
Andrew White
вот чесслово, ненужная фича, имея ее на ФФ не пользуюсь
хотя мож и пользуюсь, но не замечаю
Andrew White
На форуме 17 лет
Сообщения: 6932
Откуда: St.P
Авто: FM4
Gloom
каждому своё.
Я когда по трассе пилил на фокусе, очень был доволен. Тем более её можно не использовать если не хочешь.
Кстати в СПб поворотниками мало кто пользуется
Fridrich
На форуме 22 лет
Сообщения: 2112
Откуда: Москва
Авто: Skoda Octavia A7 1.8 TSI, AFS, Elegance...
Gloom писал(а):Andrew White
вот чесслово, ненужная фича, имея ее на ФФ не пользуюсь
хотя мож и пользуюсь, но не замечаю 
Когда техника работает нормально - ее просто не замечаешь! То же можно сказать и про инжектор, и про вакуумный усилитель тормозов, и про бензонасос, и про, в конце концов, мотор... право - на кой черт все эти прибабахи нужны, если машина и так едет! ...Пока не пересядешь на телегу, где этого всего нет... После машины с "удлинителем поворотников" на другой - ловишь себя на том, что вместо поворотников при перестроении получаются только микротычки, да так, что даже лампочки зажигаться не успевают...
ИНФОРМАЦИЯ ПО ИКОНКАМ И ВОЗМОЖНОСТЯМ
Вы не можете начинать темы
Вы не можете отвечать на сообщения
Вы не можете редактировать свои сообщения
Вы не можете удалять свои сообщения
Вы не можете голосовать в опросах
Вы можете вкладывать файлы
Вы можете скачивать файлы