способ №1 от Романа Торопова.

Не, ну это уже извращение и от способа №2 не отличается - стабильного напряжения на выходе генератора не получить.
измерительный вход РН нужно переключить на шпильку В+ генератора и диодом в измерительной цепи поднять напряжение - тогда будет толк.
Согласен... Но это сложней.

Что ему не давало подключить диод к В+?
Только там картинки слетели
Про этот способ забудь вообще, ибо если так сделать, ляжет ключевой транзистор из-за того, что будет выключен шунтирующий обмотку диод в РН-е и ЭДС самоиндукции "убьёт" ключ.
отделяем силовую цепь РРН от измерительной
Разряд аккума при выключенном зажигании.
Подробности не буду

в разрыв минусового провода таблетки диод, эффект получается тотже, зато диод не греется
там везде серьёзные такие диоды ставят, ибо ток там до 5-ти Ампер может доходить.
Заблуждение.
| на диоде.jpg | |
|---|---|
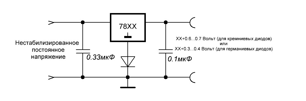
| Описание: | сделано по этому принципу. Это стабилизатор постоянного тока, в народе кренкой называют... |
| Размер файла: | 35.65 KB |
| Просмотрено: | 167 раз(а) |
Ставить последовательно диод) это не по нашему) лишний нагрев, лишний габаритный диод.
Ставить последовательно диод) это не по нашему) лишний нагрев, лишний габаритный диод.


радиолюбители и электронщики поймут
Ставить последовательно диод) это не по нашему)
Не последовательно что ли...
оком в 1 мА? ЭБУ с иммобилайзером в разы больше кушают.
Фи... полный колхозинг.
Раз уж РН вскрываем, то проще найти задающий делитель напряжения и поменять в нём резюк или стабилитрон. Как? В этой теме я уже достаточно наглядно, с картинками всё расписал. И красиво, и никаких лишних проводов.
там течет мизерный ток .
если по цепи возбуждения протекает ток в 5 Ампер, то и по диоду, который включён в эту цепь, будет протекать именно такой же ток.

Попробуй его на реальный слаботочник заменить, например, на 521-ый.
Схемку с кренкой не зря привел выше...
5А течет от "плюсового" входа таблетки до его выхода.
там где включен этот диод если включить миллиамперметр видно будет как дышит таблетка)
ты хоть на параметры твоего диода (FR102) смотрел?

диод включен в другую цепь, скажем измерительную.
Цепь: +, обмотка возбуждения, открытый ключ в РНе, твой диод, минус. "Минусовой" вывод щётки не имеет прямого контакта с массой, он идёт через ключ, эмиттер которого соединён с массой. Так вот, в разрыв этого соединения ты и ставишь диод! См. схему кишков РНа!
Кстати, 4K6RMA, ты хоть на параметры твоего диода (FR102) смотрел?.

Просто некоторые водятлы
ЗЫ: ты бы хоть по твоей же ссыли параметры КД219 удосужился бы посмотреть....
Потом люди удивляются, почему все так хают драйв2..
| на диоде.jpg | |
|---|---|
| Описание: | эта схема вам знакома? на "таблетке" абсолютно тоже самое происходит. |
| Размер файла: | 35.65 KB |
| Просмотрено: | 152 раз(а) |

) и тебе будет понятен весь масштаб твоего фиаско со "слаботочным" диодом.
если ты хоть чо-нить понимаешь в электронике, то найди в тырнете или в этой теме схему РНа

вообщем) я писал что это, временное решение , таблетку нового типа не установил из за того что кольца предельно истончены. Если руки дойдут и найду кольца моет заменью, а сним надо и подшибники махнуть уж тогда. Может вообще сдать свой доплатить взять новую помощней или б.у. ...

стабилизизции кренки доп диодом не нова для меня
Пойми ты наконец, что в схеме с кренкой диод влияет на действительно УПРАВЛЯЮЩУЮ СЛАБОТОЧНУЮ цепь и тут действительно подойдёт СЛАБОТОЧНЫЙ диод.
Вы не можете начинать темы
Вы не можете отвечать на сообщения
Вы не можете редактировать свои сообщения
Вы не можете удалять свои сообщения
Вы не можете голосовать в опросах
Вы можете вкладывать файлы
Вы можете скачивать файлы


