???
!!!
???

Если про какую-то систему забываешь как она работает, то это хорошая система. 

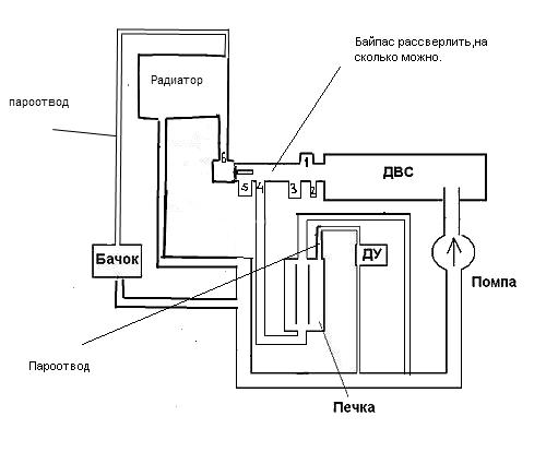
Вчера посмотрел фотки,кoторые выложил GPGriffin. Схема гранты,мне показалась эфективнее.Я так понял,что, малый круг толко через печку циркулирует,а большой,пока термос закрыт,не греется ващпе,так как термос закрывает верхний патрубок.Думаю это ГУД!!! Меньше потерь тепла,меньше жидкости греть,быстрее прогрев. А подогрев ду нужен.Его можно тройником с печкой соеденить. Ну что думаете господа практики? Я прям заинтересован. Может сразу на Гранта-СОД переделывать??? 
Вчера посмотрел фотки,кoторые выложил GPGriffin. Схема гранты,мне показалась эфективнее.Я так понял,что, малый круг толко через печку циркулирует,а большой,пока термос закрыт,не греется ващпе,так как термос закрывает верхний патрубок.Думаю это ГУД!!! Меньше потерь тепла,меньше жидкости греть,быстрее прогрев. А подогрев ду нужен.Его можно тройником с печкой соеденить. Ну что думаете господа практики? Я прям заинтересован. Может сразу на Гранта-СОД переделывать??? 
а тут перед клапаном термоса ,как на 08

обычный малый круг .. и мимо печки есть канал и большой такой-же , но по типу как на классике.может для лета это лучше , быстрей будет сбрасывать температуру
малый круг на гранте идет только через печку. Мне понравилось в схеме гранты то,что закрывается именно верхний патрубок основного радиатора,куда тепла не мало уходит.
. Всем удачи!!!
на гранта сод нет подогрева ду
Протока нет
вместо верхнего крестика через переходник запитать печку как вариант.
элемент прогревается , отрывается путь в радиатор
DJOnny! Я думаю,если термо-элемент заклинит в закрытом положении,то закипон в любом случае будет с переделкой или без,я так думаю!!!
Жду ответа по схеме от спецов!!! Всем спасибо!!!
Вы не можете начинать темы
Вы не можете отвечать на сообщения
Вы не можете редактировать свои сообщения
Вы не можете удалять свои сообщения
Вы не можете голосовать в опросах
Вы можете вкладывать файлы
Вы можете скачивать файлы


