Подниму баянчик, может кому ещё пригодится...
Года два назад достали "сухие" тёрки по стеклу...
Поизучал вопрос... Решений - вагон и маненька тележка: от покупки соответствующих релюх, до установки задержки на транзисторах и прочих таймерах.
Глянул на
схему и решил ничо не покупать и не варганить никаких таймеров.
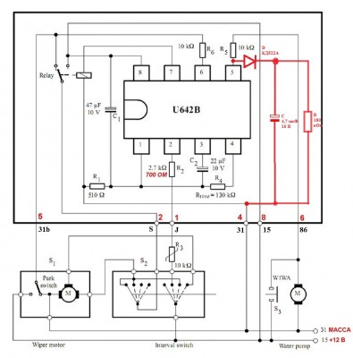
Затрат - 0 р., ибо для решения потребуется всего 3 деталюшки, которые можно найти в любой погибшей совдеповской электронике. Основное требование к деталюшкам - размеры, чем меньше, тем лучше:
1.Резистор 180 кОм, не более 0,125 Вт;
2.Любой маломощный мелкий диод, мне подвернулся КД522
3. Конденсатор 4,7 мкФ, минимум 16 В.
Резистор паяем параллельно лапам конденсатора, катод диода ("носик") паяем к "+" конденсатора. Фсё, "линия задержки готова".
Выковыриваем из ЧЯ реле дворников, вскрываем его, видим там 8-ми лапую микруху.
Ответ на первый вопрос (пусть и с опозданием в 4-е года

):
intercar писал(а):Подскажите, как в реле 524.3747 сделать так, что бы дворники начинали движение через 0,5–1 сек. после включения моторчика омывателя
Припаиваем анод диода ("жопку") к 5-ой ноге микрухи. Эта нога идёт через резюк 10 кОм на 86-ой пин реле.
Минус конденсатора паяем в любом удобном месте, лишь бы это место напрямую приводило к 31-му пину реле, т.е. к "массе".
Всё. При этих номиналах обеспечивается задержка на срабатывание дворников 0,5-1 сек. Специально не замерял, но по очучениям где-то так.
Её можно увеличить, увеличивая ёмкость конденсатора, но скажу сразу, что при кондюке в 22 мкФ уж слишком долго нужно держать рычаг, пока дворники "пойдут" - лишний расход омывайки.
Сия байда на моей тележке справно работает уже 2 года, оч удобно, рекомендую.
Ответ на второй вопрос:
intercar писал(а):Как на реле 526.3747 сделать два взмаха после омыва (там три резистора, какой менять...) ?
Который идёт на 4-ую ногу микрухи. В штате он 130 кОм, для двух "взмахов" его нужно уменьшить до чо-нить в районе 56-68 кОм.