DJ0nny
На форуме 12 лет
Сообщения: 1329
Откуда: тут был
Авто: уася
cracked
Цитата:2 или 3 передачу и машина тупит - на газ не реагирует, но при этом чекэнжайн не горит
у тебя неисправность в датчиках или свечах .
прошивка тут козе баян .
надо искать неисправность . в первую очередь диагностика параметров эбу , расход воздуха и т.п. всё сравнивается с типовыми параметрами .
Добавлено спустя 32 секунды:
и делается вывод куда копать
cracked
На форуме 11 лет
Сообщения: 32
Авто: ВАЗ 21099i
Дело оказалось в дохлом бензонасосе.
Но подключиться к блоку так и не удалось - просто не видит адаптер блок.
DJ0nny
На форуме 12 лет
Сообщения: 1329
Откуда: тут был
Авто: уася
cracked а как подключаешься , программки правильные юзаешь?
там же для разных эбу разные программы нужны
cracked
На форуме 11 лет
Сообщения: 32
Авто: ВАЗ 21099i
DJ0nny
да я уже все перепробовал. Адаптер стоит на COM1, скорость 57600, драйвер стоит. Блок выбираю тоже свой - Bosch MP7.
Из программ пробовал Diagnostic Tools 1.3.1, OpenDiagFree, KWP_D.
Все пишут - нет связи. Остается думать только на Винду 7 64-bit.
DJ0nny
На форуме 12 лет
Сообщения: 1329
Откуда: тут был
Авто: уася
cracked
На форуме 11 лет
Сообщения: 32
Авто: ВАЗ 21099i
DJ0nny
поставил ХР на ноут, буду пробовать
Дело оказалось таки в операционке. На ХР все завелось с полпинка.
Wingen
На форуме 15 лет
Сообщения: 749
Откуда: из России
Авто: 2114
СССашка
Предупреждений: 1
На форуме 12 лет
Сообщения: 599
Авто: таз 21102
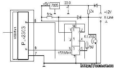
мужики я не пойму, тут база с коллектором на транзисторе не перепутаны на схеме? ибо приемник не работает у меня
| еще адаптер.jpg |
| Описание: |
|
| Размер файла: |
27.67 KB |
| Просмотрено: |
307 раз(а) |

|
Ходок
На форуме 18 лет
Сообщения: 796
Откуда: Замкадыш
Авто: 2115_05_HL52 320тык без капремонта
СССашка
Предупреждений: 1
На форуме 12 лет
Сообщения: 599
Авто: таз 21102
Ходок писал(а):Не перепутаны
а как прием осуществляется не врубаюсь
Dmitry_Cat
На форуме 17 лет
Сообщения: 1359
Откуда: Казахстан
Авто: 2115 1.6i, проц М74, эл педаль газа
1 нога микросхемы подключена на kline
передача с kline в комп происмходит по пути 1-2 , затем 3-4 и в комп
СССашка
Предупреждений: 1
На форуме 12 лет
Сообщения: 599
Авто: таз 21102
Dmitry_Cat писал(а):передача с kline в комп происмходит по пути 1-2 , затем 3-4 и в комп
а диод на к линии не дает же току
Dmitry_Cat
На форуме 17 лет
Сообщения: 1359
Откуда: Казахстан
Авто: 2115 1.6i, проц М74, эл педаль газа
пока К линия в воздухе(не заземлена) резистор 9,1 килоом поддерживает на ноге 1, 5 вольт, как только К линия заземляется то ток течет через резистор 9,1 кОм - диод , на землю и на ноге 1 напряжения нет, 0 вольт
но если быть более точным там не 0 вольт, а чуть больше, сколько на диоде выпадет а это около 0,7-0,9 вольт
у микросхемы порог срабатывания около 2 вольт, если выше то она думаюе что напряжение есть
СССашка
Предупреждений: 1
На форуме 12 лет
Сообщения: 599
Авто: таз 21102
так и есть у меня. Блин я не пойму как эбу передает сигнал, что в этот момент происходит, по идее должно быть напряжение появляться на к линии, но оно вроде всегда там
Добавлено спустя 24 минуты 22 секунды:
Dmitry_Cat писал(а):
Dmitry_Cat
кстати че за прикол, такова не было у меня. Когда через гипертерминал пишу по русски раньше писал те символы, которые я вводил а сейчас пишу допустим "з" а пишет "т". зато с англ символами нормально и когда к линию на землю замыкаю, то символов нету и даже курсор не мигает, после чего надо пару символов напечатать и после он выдает сразу все симолы(которые возникли при замыкании на землю)
Добавлено спустя 1 минуту 31 секунду:
даже на англ раскладке
Dmitry_Cat
На форуме 17 лет
Сообщения: 1359
Откуда: Казахстан
Авто: 2115 1.6i, проц М74, эл педаль газа
ЭБУ по идее замыкает сигнал kline на земелю когда нужно, так и передает
терминалом не пользуюсь, поэтому не знаю
Ходок
На форуме 18 лет
Сообщения: 796
Откуда: Замкадыш
Авто: 2115_05_HL52 320тык без капремонта
СССашка писал(а):Блин я не пойму как эбу передает сигнал, что в этот момент происходит, по идее должно быть напряжение появляться на к линии, но оно вроде всегда там
Тебе же обьяснили как. Напряжение не появляется, а ключем в эбу садится на землю (для этого же служит и транзистор, но для обратной передачи), когда на К линии напряжение +12 упадет открывается диод и на входе 1 логики +5 вольт перейдет в низкий потенциал воспринимаемый ей как логический 0, выход 2 элемента переключается в логическую 1, далее все это безобразие инвертируется следующим логическим элементом и поступает на 8 ногу 2303.
СССашка
Предупреждений: 1
На форуме 12 лет
Сообщения: 599
Авто: таз 21102
Ходок писал(а):Тебе же обьяснили как. Напряжение не появляется, а ключем в эбу садится на землю (для этого же служит и транзистор, но для обратной передачи), когда на К линии напряжение +12 упадет открывается диод и на входе 1 логики +5 вольт перейдет в низкий потенциал воспринимаемый ей как логический 0, выход 2 элемента переключается в логическую 1, далее все это безобразие инвертируется следующим логическим элементом и поступает на 8 ногу 2303.
ясно. спаял я и все проги которые есть видят его, как только к эбу, то нифига не могу подключиться, драйвера ставил на 10400, может из-за винды 7
Ходок
На форуме 18 лет
Сообщения: 796
Откуда: Замкадыш
Авто: 2115_05_HL52 320тык без капремонта
Может и из за винды. В режиме совместимости не пробовал проги запускать?
Dmitry_Cat
На форуме 17 лет
Сообщения: 1359
Откуда: Казахстан
Авто: 2115 1.6i, проц М74, эл педаль газа
СССашка
поконкретней напиши куда подключаешь и какие микросхему сипользовал
включаешь в СОМ или USB порт?
СССашка
Предупреждений: 1
На форуме 12 лет
Сообщения: 599
Авто: таз 21102
Dmitry_Cat писал(а):поконкретней напиши куда подключаешь и какие микросхему сипользовал
к555лн1, usb подключаю, пробовал через ком порт, почему то на к линии ноль логика

, хотя питание адаптера подключено
Ходок писал(а):Может и из за винды. В режиме совместимости не пробовал проги запускать?
не пробовал
Dmitry_Cat
На форуме 17 лет
Сообщения: 1359
Откуда: Казахстан
Авто: 2115 1.6i, проц М74, эл педаль газа
СССашка
а на USB какая микросхема?
Добавлено спустя 9 минут 59 секунд:
схему увидел выше, там микросхема 2303, у меня такая же
мой адаптер заработал с ЭБУ после устанвоки этих драйверов
Драйвера для адаптеров на базе чипа PL2303
отсюда
http://www.opendiag.spb.ru/load
а до этих драйверов тоже программы показывали что адаптер рабочий, эхо было
СССашка
Предупреждений: 1
На форуме 12 лет
Сообщения: 599
Авто: таз 21102
Dmitry_Cat писал(а):Драйвера для адаптеров на базе чипа PL2303
ты на семерке ставил дрова?
Dmitry_Cat
На форуме 17 лет
Сообщения: 1359
Откуда: Казахстан
Авто: 2115 1.6i, проц М74, эл педаль газа
СССашка
Предупреждений: 1
На форуме 12 лет
Сообщения: 599
Авто: таз 21102
чёт не пашет, запарил уже скотина
Dmitry_Cat
На форуме 17 лет
Сообщения: 1359
Откуда: Казахстан
Авто: 2115 1.6i, проц М74, эл педаль газа
где-то в инете вычитал что 2303 не может работать на нестандартных скоростях, а в опендиаге жестко стоит скорость 10400, в настсройках СОМ порта такой нет
как читал править нужно реестр, похоже эти драйверы это и делают, позволяют работать 2303 на нестандартной скорости
Добавлено спустя 6 минут 12 секунд:
для начала я бы проверил замыкая линию к-лайн на землю и отпуская изменяются ли сигналы на Rx и Tx на входе PL2303
ИНФОРМАЦИЯ ПО ИКОНКАМ И ВОЗМОЖНОСТЯМ
Вы не можете начинать темы
Вы не можете отвечать на сообщения
Вы не можете редактировать свои сообщения
Вы не можете удалять свои сообщения
Вы не можете голосовать в опросах
Вы можете вкладывать файлы
Вы можете скачивать файлы