_NikeL_
На форуме 13 лет
Сообщения: 2474
Откуда: Саранск - НиНо
Авто: 217050 106лс 2015 гв 210ткм
Kogor
На форуме 14 лет
Сообщения: 808
Откуда: Рязань
Авто: ВАЗ21112 2005 г.в. 1.6 8 кл. I204LR57_v7.3 Пробую B104DQ17 Led. Пока нравится.
Ну да. Это тоже самое в заводском исполнении. Почитай отзывы и выбирай. Орионовский адапдор я знакомому на буке запустил без проблем. Он работал с ОпенДиаг.
Добавлено спустя 11 минут 43 секунды:
У РД-Лаба комплектация вроде побогаче будет( если брать по твоей ссылке). Потом меньше гемора при подключении. Ну а по надежности хз.
_NikeL_
На форуме 13 лет
Сообщения: 2474
Откуда: Саранск - НиНо
Авто: 217050 106лс 2015 гв 210ткм
Kogor
отзывы где найти? я сам не выберу, не шарю)
надо чтобы по максимуму показывал, пока для ЭБУ бош1.5.4
Kogor
На форуме 14 лет
Сообщения: 808
Откуда: Рязань
Авто: ВАЗ21112 2005 г.в. 1.6 8 кл. I204LR57_v7.3 Пробую B104DQ17 Led. Пока нравится.
_NikeL_ писал(а):отзывы где найти?
Ну как где? В поиске разумеется. Вот в соседней теме за Орионовский адаптер речь идет. Спроси у людей. На Рд-лабе форум есть. Там посмотри какие проблемы у людей. Сам я с Орионовским один раз сталкивался без проблем. Как он сейчас работает не знаю. Рд-лабовский видел ток на фото. Сам пользую самодельный.
НПП Орион
На форуме 17 лет
Сообщения: 364
Откуда: г. Санкт-Петербург
_NikeL_ писал(а):Kogor
отзывы где найти? я сам не выберу, не шарю)
надо чтобы по максимуму показывал, пока для ЭБУ бош1.5.4
На форуме сайта НПП Орион есть ветка где рассказывается какими программами какие машины диагностируются
max9000
На форуме 13 лет
Сообщения: 891
Откуда: Украина
Авто: 21114, 1,6 16кл 2005г.в. Bosch 7.9.7
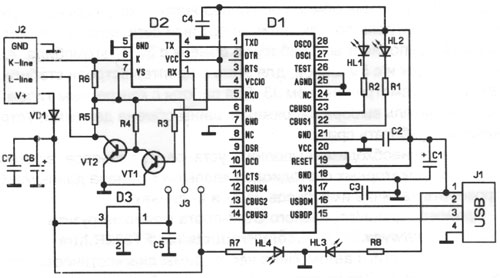
Задумал собрать такой адаптер и при поиске запчастей наткнулся на готовую плату (только без деталей

) с такой схемой
R1-R2....1K;
R3....10K;
R4....3K;
R5-R6....510;
R7....3K;
R8....1K;
С1... 10мкФ;
С2-С5... 100нФ;
С6 ...10мкФ;
С7... 100нФ;
D1....FT232RL;
D2. L9637D;
D3....78L05;
VD1. ..1N4007;
VT1-VT2... ВС847;
HL1-HL4 - Светодиоды;
Кто что думает? Вроде принцип один и тот-же, но сопротивлений напихано больше и номинал некоторых другой или собирать и не задумываться ?
faq
На форуме 17 лет
Сообщения: 149
Откуда: Киров
Авто: 2106 (83г/в)>21112(05г/в)
max9000 писал(а):Задумал собрать такой адаптер
Если тебе L-линия не нужна то можно схему упростить.
По поводу L9637D, тоже думал на ней адаптер собрать, купил 2 штуки, собрал, включаю а она сгорает.
Поменял микросхему, все еще раз проверил, оставил только ее питание, включаю - снова сгорает.
В инете нашел темы что китайцы гонят либо брак либо не правильно маркированные корпуса. В итоге забил и собрал по обычной схеме на 33199
max9000
На форуме 13 лет
Сообщения: 891
Откуда: Украина
Авто: 21114, 1,6 16кл 2005г.в. Bosch 7.9.7
faq писал(а):max9000 писал(а):Задумал собрать такой адаптер
Если тебе L-линия не нужна то можно схему упростить.
По поводу L9637D, тоже думал на ней адаптер собрать, купил 2 штуки, собрал, включаю а она сгорает.
Поменял микросхему, все еще раз проверил, оставил только ее питание, включаю - снова сгорает.
В инете нашел темы что китайцы гонят либо брак либо не правильно маркированные корпуса. В итоге забил и собрал по обычной схеме на 33199
Ну не знаю.. спаял, все работает, но пока без л-линии в вазе вроде через нее нечего диагностировать?
Чета время работы двигателя показывает странное

По общим пропусков тоже параметры непонятны, после каждого коннекта они меняются.
СССашка
Предупреждений: 1
На форуме 12 лет
Сообщения: 599
Авто: таз 21102
Soroka533
На форуме 15 лет
Сообщения: 169
Откуда: Алтайский край
Авто: 21093
Собрал такой же, как у ТС.
При подаче питания 12 В программа будет показывать наличие бортового напряжения?
хочу проверить без машины
При подключение комп определяет как FT232. Дрова вроде бы встали.
Сканер-тестер адаптер не видит. Подскажите как проверить без машины.
max9000
На форуме 13 лет
Сообщения: 891
Откуда: Украина
Авто: 21114, 1,6 16кл 2005г.в. Bosch 7.9.7
Soroka533 писал(а):определяет как FT232
Soroka533 писал(а):Сканер-тестер адаптер не видит
при подаче 12В должен увидеть
Авто 21099
На форуме 16 лет
Сообщения: 1543
Откуда: Украйна Конотоп
Авто: 21099i 1,6л 8кл, европанелЪ, Q-Box+Barracuda
Мужики! А куда пропали рисунки, там помню была схема распиновки, куда пихать в эбу +12 и землю. Год не лазил, не помню...???
ИНФОРМАЦИЯ ПО ИКОНКАМ И ВОЗМОЖНОСТЯМ
Вы не можете начинать темы
Вы не можете отвечать на сообщения
Вы не можете редактировать свои сообщения
Вы не можете удалять свои сообщения
Вы не можете голосовать в опросах
Вы можете вкладывать файлы
Вы можете скачивать файлы