Rexroth
На форуме 17 лет
Сообщения: 468
Откуда: Нижний Новгород
Авто: Ваз 2115 инжектор 2001 => 21104 дв. 21124 1.6 16V, 2005 год, пробег 123000, Prestige 10v12, Bosch 7.9.7
Всем привет! Кнопка центрального замка была подключена по этой схеме
http://s001.radikal.ru/i194/1002/b7/96a52b80c1e4.jpg
Пришел к выводу что у меня происходит постоянное КЗ при нажатии кнопку центрального замка. Подскажите кто как её подключал. По возможности схемку.
С уважением Александр
Xpert
Свой человек
На форуме 20 лет
Сообщения: 4176
Откуда: Москва
Куда кнопку ставишь? В принципе подключаться можно либо в двери водителя, либо к блоку ЦЗ. Тебе где удобнее?
Rexroth
На форуме 17 лет
Сообщения: 468
Откуда: Нижний Новгород
Авто: Ваз 2115 инжектор 2001 => 21104 дв. 21124 1.6 16V, 2005 год, пробег 123000, Prestige 10v12, Bosch 7.9.7
Модуль центрального замка выкинут из за его глючности.
Сигналка подключена паралельно к акуаторам.
При нажатии на кнопку ЦЗ происходит КЗ- так как с сигналки идет постоянный минус (в режиме покоя).
Rexroth
На форуме 17 лет
Сообщения: 468
Откуда: Нижний Новгород
Авто: Ваз 2115 инжектор 2001 => 21104 дв. 21124 1.6 16V, 2005 год, пробег 123000, Prestige 10v12, Bosch 7.9.7
Надо или промежуточную реле ставить (для развязки) или как то диодами развязываться
Xpert
Свой человек
На форуме 20 лет
Сообщения: 4176
Откуда: Москва
Модуль не глючный, а кнопка ток 4-х активаторов не выдержит.
Rexroth
На форуме 17 лет
Сообщения: 468
Откуда: Нижний Новгород
Авто: Ваз 2115 инжектор 2001 => 21104 дв. 21124 1.6 16V, 2005 год, пробег 123000, Prestige 10v12, Bosch 7.9.7
Xpert
Тогда разводить через реле
=Moroz=
На форуме 17 лет
Сообщения: 2057
Откуда: Москва-Обнинск
Авто: Ваз 21104, 2005г. => Nissan Primera 1,8 hatch, 2005г. => Hyundai Tucson 2.0 4WD АКПП 2006г.
Ясен хрен коротыш... а кто схему такую нарисовал?
Внизу блок - что за нах? Перерисуй нормально с пояснениями...
sergbel
На форуме 17 лет
Сообщения: 656
Откуда: гор. Выборг
Авто: ваз-2111 1,6 8кл. графит
=Moroz= писал(а):Внизу блок - что за нах?
Типа использование кнопок стеклоподъемников в нештатном режиме
Rexroth
Два реле пятиконтактных тебя выручат...
Rexroth
На форуме 17 лет
Сообщения: 468
Откуда: Нижний Новгород
Авто: Ваз 2115 инжектор 2001 => 21104 дв. 21124 1.6 16V, 2005 год, пробег 123000, Prestige 10v12, Bosch 7.9.7
sergbel
А есть схема включения кнопки без реле?
Rexroth
На форуме 17 лет
Сообщения: 468
Откуда: Нижний Новгород
Авто: Ваз 2115 инжектор 2001 => 21104 дв. 21124 1.6 16V, 2005 год, пробег 123000, Prestige 10v12, Bosch 7.9.7
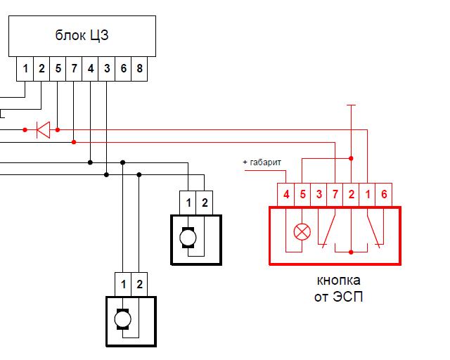
Схема использованая в начале топика не правильная ( к тому же нарисованая второпях) извиняйте

.
Пришлось изобретать по новой велосипед.
http://s004.radikal.ru/i207/1002/fe/e3db00e302c6.jpg это ссылка на схему установки кнопки управления центральным замком кстати,
без использования каких либо реле. Схема полностью исправна (воплащена в жизнь 2часа назад)
Последний раз редактировалось: Rexroth (04 Февраля 2010 13:03), всего редактировалось 1 раз
=Moroz=
На форуме 17 лет
Сообщения: 2057
Откуда: Москва-Обнинск
Авто: Ваз 21104, 2005г. => Nissan Primera 1,8 hatch, 2005г. => Hyundai Tucson 2.0 4WD АКПП 2006г.
Rexroth
Ну так другое дело, а то издеваешься...
dayw
На форуме 17 лет
Сообщения: 299
Откуда: орел
Авто: 21124 2005г.
В эту реле нужно залазить именно вскрыв сигналку или искать выходы из неё в колодке?
dayw
На форуме 17 лет
Сообщения: 299
Откуда: орел
Авто: 21124 2005г.
При этой схеме центральный замок нужно отлючить и управление только от кнопки или чо та не понял? ))
sergbel
На форуме 17 лет
Сообщения: 656
Откуда: гор. Выборг
Авто: ваз-2111 1,6 8кл. графит
Rexroth
На форуме 17 лет
Сообщения: 468
Откуда: Нижний Новгород
Авто: Ваз 2115 инжектор 2001 => 21104 дв. 21124 1.6 16V, 2005 год, пробег 123000, Prestige 10v12, Bosch 7.9.7
dayw
Так как заводской блок достаточно глючный я его выкинул.Эта схема управления центральным замком. Сигналку вскрывать не надо используются только выхода с сигнализации (в моем случае COM).
Просто устанавливается кнопка ЦЗ
dayw
На форуме 17 лет
Сообщения: 299
Откуда: орел
Авто: 21124 2005г.
т.е. параллельно ставиться?
Rexroth
На форуме 17 лет
Сообщения: 468
Откуда: Нижний Новгород
Авто: Ваз 2115 инжектор 2001 => 21104 дв. 21124 1.6 16V, 2005 год, пробег 123000, Prestige 10v12, Bosch 7.9.7
sergbel
На форуме 17 лет
Сообщения: 656
Откуда: гор. Выборг
Авто: ваз-2111 1,6 8кл. графит
dayw писал(а):т.е. параллельно ставиться?
Последовательно...
xine
На форуме 18 лет
Сообщения: 346
Откуда: Нижний Тагил
Авто: Lada Vesta 1.6 16V 2017
Сегодня пробовал подключить кнопку от ЭСП к штатному центральному замку. Подключаю кнопку на контакты 5 и 7ц.з.и кнопка работает вот так..Нажал всё закрылось, еще раз нажал всё открылось и опять закрылось. Контакты на кнопке брал 1 и 7. что сделал не так?
kotmu
На форуме 15 лет
Сообщения: 5425
Откуда: Замкадье
Авто: Мощный флагман
Rexroth
минусовые выходы кнопки впаять в блок сиги к обмоткам реле. дешево и сердито. и все будет работать.
xine писал(а):Сегодня пробовал подключить кнопку от ЭСП к штатному центральному замку. Подключаю кнопку на контакты 5 и 7ц.з.и кнопка работает вот так..Нажал всё закрылось, еще раз нажал всё открылось и опять закрылось. Контакты на кнопке брал 1 и 7. что сделал не так?
если схему нарисуешь - подскажу. а так голову ломать лень. может кто из ребят еще подскажет.
Кстати - с 2004 года примерно пошли замки нового образца, которые не должны реагировать только на минус открыть/закрыть... вообще-то.
Минусовые выходы кнопки можно впаять прямо на обмотки реле ЦЗ. Естественно, схема используется не от управления стеклоподъемников, т.к. там идут плюсы на выход.
xine
На форуме 18 лет
Сообщения: 346
Откуда: Нижний Тагил
Авто: Lada Vesta 1.6 16V 2017
kotmu писал(а):если схему нарисуешь - подскажу. а так голову ломать лень. может кто из ребят еще подскажет.
Х.з. какая схема подключения ц.з. на заводе а кнопку подключал вот так:
Вот думаю может проще кнопку зацепить к сигналке на провода которые посылают сигнал на закрытие/открытие
| Безымянный.JPG |
| Описание: |
|
| Размер файла: |
29.85 KB |
| Просмотрено: |
346 раз(а) |

|
H376XP55
На форуме 15 лет
Сообщения: 45
Откуда: омск
Авто: ваз 21101 2006г
мужики суть вот вчём в салоне на тонели стоит кнопка от стеклоподъёмника для блокировок дверй все работает нормально наврнулся брелок сигнахи, а при запирании вод.двери ключом остальные двери не запираются. с чего копать? в вод.двери 5проводный актуатор на разёме блока управления центрального замка обрезаны коричнивый и белый провода к ним подцеплены провода кнопки с тонеля и сигнаха . хотелось бы и кнопкой на тонеле пользоваться и,чтоб при запирании ключом блокировались остальные двери
ИНФОРМАЦИЯ ПО ИКОНКАМ И ВОЗМОЖНОСТЯМ
Вы не можете начинать темы
Вы не можете отвечать на сообщения
Вы не можете редактировать свои сообщения
Вы не можете удалять свои сообщения
Вы не можете голосовать в опросах
Вы можете вкладывать файлы
Вы можете скачивать файлы