GSVNN
На форуме 17 лет
Сообщения: 1596
Откуда: 52RU
Авто: LADA XRAY CROSS
nihil писал(а):На прошлой неделе дошла до меня посылка из 12V.
Сколько ждал?
Rover_61reg
На форуме 17 лет
Сообщения: 16658
Откуда: Рост. обл.
Авто: 2114->Оващ Астра J
не вытерпел, снял панель. Т.к. фоткал вчера в сумерках, на солнце лампы АБ вообще не видно.
Самое трудное - ввыдрать эти 2 разъёма, .....(на этом месте море нецензурной брани). Т.к. девайс довольно дорогой (VDO), сильно не изголялся. Нашёл резистор в параллель лампочке.
1Вт 144 Ома. Я его выпаял. Не одел заднюю крышку, вставил разъёмы - не айс

, видно чуть лучше. Еле снял разъёмы
Цитата:на этом месте море нецензурной брани
, чуть не сломал монтажную плату.
Т.к. одна из ножек лампочки звонилась на 10 ногу белого разъёма Х2 накоротко, то другую ножку посадил на 12 ножку Х2. Между этой ножкой и х2 (12) вроде как звонится диод. Собрал панельку (вернее одел заднюю крышку). Подсоединил - не айс

. Всё равно тускло.
Пока забил.
GSVNN
На форуме 17 лет
Сообщения: 1596
Откуда: 52RU
Авто: LADA XRAY CROSS
Rover_61reg писал(а):Нашёл резистор в параллель лампочке.
А который на массу?
Rover_61reg
На форуме 17 лет
Сообщения: 16658
Откуда: Рост. обл.
Авто: 2114->Оващ Астра J
Видать плохо о искал

или он с другой стороны, что конечно маловероятно.
nihil
На форуме 15 лет
Сообщения: 81
Авто: 2115 2010г.в.апрель. Кварц. Люкс.
GSVNN
до москвы шло дня четыре, но мне не принесли уведомление первое, только повторное, поэтому почти две недели, а самому на почту было некогда зайти поинтересоваться. И что удивительно, в начале сентября специально замок на ящик поставил, чтобы почта доходила, походу просто с почты не донесли первое уведомление. Лучше по инету отследить посылку и как только будет в твоем населенном пункте выждать денек и самому на почту с пачпортом

Щас думаю, на всякий пожарный, еще себе один заказать, прозапас.
т808
На форуме 15 лет
Сообщения: 47918
Откуда: PODOLSK
Авто: ВАЗ 21093 МПСЗ
Rover_61reg
Мне тут сказали что ты схему VDO имеешь.Без нее труднее разбираться.Но по аналогии с 10-ой механической приборкой не все согласуется.Например -
Rover_61reg писал(а):Нашёл резистор в параллель лампочке.
Неужели и вправду в параллель?
http://chipdiagnost.narod.ru/images/2110-pp2.gif Здесь он иначе включен.
Rover_61reg писал(а):1Вт 144 Ома.
Номинал его тоже смущает.
Rover_61reg писал(а):Всё равно тускло.
Пока забил.
Хотелось бы разобраться в причине,а то вы тут без меня за один день уже много чего перепробовали.
GSVNN
На форуме 17 лет
Сообщения: 1596
Откуда: 52RU
Авто: LADA XRAY CROSS
nihil писал(а):до москвы шло дня четыре, но мне не принесли уведомление первое, только повторное, поэтому почти две недели, а самому на почту было некогда зайти поинтересоваться. И что удивительно, в начале сентября специально замок на ящик поставил, чтобы почта доходила, походу просто с почты не донесли первое уведомление. Лучше по инету отследить посылку и как только будет в твоем населенном пункте выждать денек и самому на почту с пачпортом Щас думаю, на всякий пожарный, еще себе один заказать, прозапас.
Спасибо за информацию.
т808 писал(а):Неужели и вправду в параллель?
Видимо аварийная схема подачи тока возбуждения при сгоревшей лампе в панели
Rover_61reg
На форуме 17 лет
Сообщения: 16658
Откуда: Рост. обл.
Авто: 2114->Оващ Астра J
т808 писал(а):Мне тут сказали что ты схему VDO имеешь
Я
Zver_042"ссылку на раздел документация" в чиптюнере кидал. Там gifка размером 1.1 метр, но качество

.
т808 писал(а):Здесь он иначе включен.
Это десяточная схема, у нас разъёмы даже не так стоят, но распиновка подходит.
т808 писал(а):Номинал его тоже смущает.
Импортный 5-полосный резюк, кор-ж-ж-ч-крас.
Побоялся я внутрь лезть (особено если бы стрелки слетели).
Жаль, что не нашёл диода и резюка. Думется мне, что у VDO тоже куча модификаций приборок.
| vdo.jpg |
| Описание: |
фрагмент схемы VDO (лампа заряда АБ). |
| Размер файла: |
39.39 KB |
| Просмотрено: |
275 раз(а) |

|
Последний раз редактировалось: Rover_61reg (06 Января 2011 12:55), всего редактировалось 1 раз
GSVNN
На форуме 17 лет
Сообщения: 1596
Откуда: 52RU
Авто: LADA XRAY CROSS
Rover_61reg
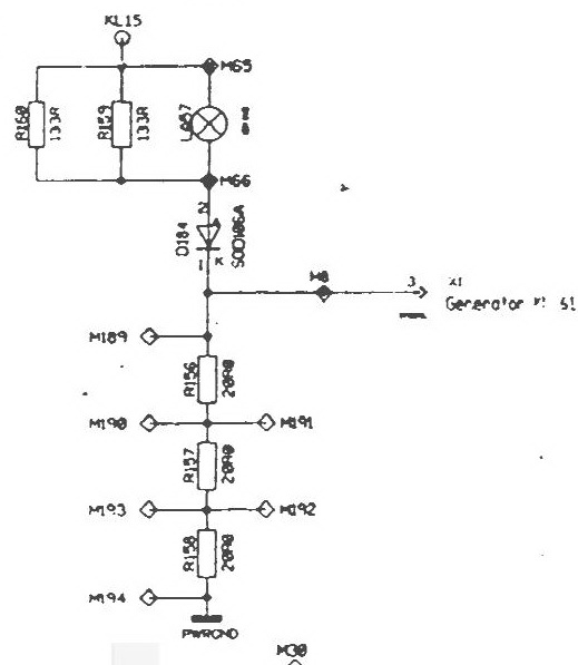
Цепочка из трёх включенных последовательно резисторов (снизу схемы) видимо и является аналогом того резистора на массу. Рзистор параллельно лампе тоже набран из двух параллельных, видимо для более точного подбора номинала либо для умощнения.
Rover_61reg
На форуме 17 лет
Сообщения: 16658
Откуда: Рост. обл.
Авто: 2114->Оващ Астра J
GSVNN
Да это я и сам вижу.
там плата с 2х сторонним монтажём, я лазил только с наружи. Резюк, который выпаял, стоял в гордом одиночестве. Отследить монтаж довольно тяжело, дороги скачут, но их не такое великое множество (перепробовал всю округу).
Колбаса из сопротиков на землю должна быть из довольно мощных резисторов. Схема эта скорее всего старая и "универсальная. Вот жалею, что не позвонил 10 и 12 вывод на землю.
т808
На форуме 15 лет
Сообщения: 47918
Откуда: PODOLSK
Авто: ВАЗ 21093 МПСЗ
GSVNN писал(а):Видимо аварийная схема подачи тока возбуждения при сгоревшей лампе в панели
Это только в ЧЯ 173 было,а сейчас в -60-м осталось.
Rover_61reg писал(а):Я Zver_042"ссылку на раздел документация" в чиптюнере кидал.
Он тебя и сдал!
Rover_61reg писал(а):но качество
Да уж!

Rover_61reg писал(а):но распиновка подходит.
Так в распиновке и цель,поэтому ее и дал.
Rover_61reg писал(а):Импортный 5-полосный резюк, кор-ж-ж-ч-крас.
Получается 144 Ом
http://www.qrz.ru/shareware/contribute/decoder.shtml Тут я вижу по схеме параллельно лампочке два резистора стоят по 133 Ома,так вот это прекрасно,их трогать нельзя.А вот цепочка R156,157,158, с хреново видными номиналами на массу,нам и нужна.Ее от массы нужно отцепить.Похоже что они по 20 Ом.Получаем резистор 60 Ом включенный параллельно питанию РН в штатном варианте.На нем выделяется мощность 14/60Х14=3,26 Вт.Приличненько для его нагрева,а при напряжении 14,5 вольта и мощность побольше греть его будет.Именно он и сажает у тебя напряжение на проводе питающем дополнительное реле.Этот гад имеет сопротивление даже меньше обмотки реле.
т808
На форуме 15 лет
Сообщения: 47918
Откуда: PODOLSK
Авто: ВАЗ 21093 МПСЗ
GSVNN
На форуме 17 лет
Сообщения: 1596
Откуда: 52RU
Авто: LADA XRAY CROSS
Rover_61reg писал(а):Резюк, который выпаял, стоял в гордом одиночестве.
Осталные видимо меньше по мощности и могут быть SMD исполнения с расположением на обратной стороне платы.
Rover_61reg писал(а):Отследить монтаж довольно тяжело, дороги скачут, но их не такое великое множество.
Что и плохо

Еслибы была в наличие пусть и нерабочая панель, можно было дома в нормальных условиях, не спеша, зарисовать схему.
Rover_61reg писал(а):Колбаса из сопротиков на землю должна быть из довольно мощных резисторов.
Это зависит от мощности нагрузки (лампы).
Zver_042
На форуме 17 лет
Сообщения: 16090
Откуда: Москва
Авто: ВАЗ 21061 1986г.в.-> ВАЗ 21074 1999г.в. -> ВАЗ 21154. Млечный путь М73 2008 -> Авео седан LTZ 2013-> Rio X-Line 2018
т808
Rover_61reg
Я вырезал тоже этот кусок и хотел выложить сюда,но жена за комп засела
т808
На форуме 15 лет
Сообщения: 47918
Откуда: PODOLSK
Авто: ВАЗ 21093 МПСЗ
Rover_61reg писал(а): Резюк, который выпаял, стоял в гордом одиночестве.
Похоже,что это был резистор вместо 159 и 160.У тебя он один вместо двух запаян.Тогда становится понятно,что без него засветка лампы еще увеличилась.Верни его на место,а лучше туда два таких впаять в параллель.
т808
На форуме 15 лет
Сообщения: 47918
Откуда: PODOLSK
Авто: ВАЗ 21093 МПСЗ
Zver_042 писал(а):,но жена за комп засела
Это вовремя!А то мы тат СуперВаз изобретем.
т808
На форуме 15 лет
Сообщения: 47918
Откуда: PODOLSK
Авто: ВАЗ 21093 МПСЗ
GSVNN писал(а):Это зависит от мощности нагрузки (лампы).
Не от лампы,а чтобы не сгорели,когда генератор возбудится.Ведь на него придет 14 вольт прямо с доп.диодов.И будет там все время,пока мотор работает.Через лампу всего 0,1 ампер идет,да и то в основном заберет с вывода D таблетка.
68 Rus
На форуме 15 лет
Сообщения: 358
Авто: ВАЗ 21093i 2003г.
nihil писал(а):GSVNN
Лучше по инету отследить посылку и как только будет в твоем населенном пункте выждать денек и самому на почту с пачпортом
Скажи, а как это отследить по инету посылку?
т808
На форуме 15 лет
Сообщения: 47918
Откуда: PODOLSK
Авто: ВАЗ 21093 МПСЗ
68 Rus
На форуме 15 лет
Сообщения: 358
Авто: ВАЗ 21093i 2003г.
Так деньги перевел, а индификатор отправления не прислали. Его нужно обязательно запрашивать?
Rover_61reg
На форуме 17 лет
Сообщения: 16658
Откуда: Рост. обл.
Авто: 2114->Оващ Астра J
т808 писал(а):Просто между 1 и 12 нужно было звякнуть
Ага, тока 1 на красной колодке, сем раз отрежь....
Ещё заметил сейчас, при выключении зажигания -лампочка на секунду вспыхивает ярко.
т808 писал(а):Верни его на место,а лучше туда два таких впаять в параллель.
Мда, опять панель снимать

, я уже думаю, напругу на "тусклой" лампочке в параллель сопроту померять и светодиод прикрутить...
т808
На форуме 15 лет
Сообщения: 47918
Откуда: PODOLSK
Авто: ВАЗ 21093 МПСЗ
68 Rus писал(а):Его нужно обязательно запрашивать?
Если хочешь отследить отправление,то запроси.
Rover_61reg писал(а):Ага, тока 1 на красной колодке,
При чем здесь красная?Клемма 1 на той же колодке Х1,где и 12.Ссылку же дал.
Rover_61reg писал(а):Мда, опять панель снимать
Ты похоже выпаял не тот резистор.Поэтому и надо его вернуть.
Rover_61reg писал(а):я уже думаю, напругу на "тусклой" лампочке в параллель сопроту померять
Ну и что это даст?
Rover_61reg писал(а): и светодиод прикрутить...
В смысле,если меньше 2,5 вольт будет,то светик не загорится?Хочешь проблему не решить,а замазать?А колбаса из 3-х резисторов останется?
Rover_61reg
На форуме 17 лет
Сообщения: 16658
Откуда: Рост. обл.
Авто: 2114->Оващ Астра J
т808 писал(а):При чем здесь красная?Клемма 1 на той же колодке Х1,где и 12.Ссылку же дал.
Ну да, чё-то я напутал, и с номерами колодок Х1, Х2, хорошо, что они по цветам разные.
Цитата:А колбаса из 3-х резисторов останется?
Мне просто неизвестно, нормально ли разберётся панель, т.е.доступ к стороне платы, где установлены ЖК индикаторы?
Т.е. это
Надо отделить от этого
А пока я тока имел доступ к задней стороне
Жаль у

не такая панель.
Насчёт "не того" срезистора
получается, он стоит в параллель лампе и если она сгорит....
| распиновка.jpg |
| Описание: |
Распиновка панели VDO |
| Размер файла: |
152.33 KB |
| Просмотрено: |
300 раз(а) |

|
Последний раз редактировалось: Rover_61reg (06 Января 2011 12:43), всего редактировалось 1 раз
Zver_042
На форуме 17 лет
Сообщения: 16090
Откуда: Москва
Авто: ВАЗ 21061 1986г.в.-> ВАЗ 21074 1999г.в. -> ВАЗ 21154. Млечный путь М73 2008 -> Авео седан LTZ 2013-> Rio X-Line 2018
Мужики,судя по картинке схемы,даже по диагонали,она довольно старая

Дисплей один,это даже больше похоже на десятую "одноочковую" приборку.То есть по сути,мы говорим о разных моделях приборок.Смотрел фотки VDO в мурзилке,моя отличается по контактным площадкам патронов к примеру.Я к чему это.В своё время перетрассировал опытный образец платы,при этом одновременно немного меняя схему после того как наигрались с опытным образцом(мне было просто,потому что и опытный трассировал тоже я),элементы я мог расставить при трассировке совсем в других местах.И добавить или наоборот убрать какие либо элементы (так как схема менялась).В данном случае конечно по уму эти резисторы должны стоять рядом с лампой,так как глупо было бы нагружать дорожки,делая их длинными.Все дорожки,даже максимально возможной ширины,где ток был более 1,5 А(тольщина фольги 35 микрон,так как больше для 4-го класса они не могли сделать по разумным ценам),сверху услиливал шинами.Плюс не совсем по этой схеме понятны отводы от резисторов(если бы это был родной Orcad или хотя бы PCad,то вопросво бы не было).Приборку свою я не вытаскивал полностью,только слегка на себя разворачивал,чтобы лампы заменить сгоревшие,поэтому рассмотреть даже собранной её подробно не мог
т808
На форуме 15 лет
Сообщения: 47918
Откуда: PODOLSK
Авто: ВАЗ 21093 МПСЗ
Zver_042 писал(а):В данном случае конечно по уму эти резисторы должны стоять рядом с лампой
Совсем не обязательно.Ты прикинь их цепи.Они должны стоять как можно ближе к разъему,особенно тот,что на массу идет.Он больше всего греется и обязан быть на задней стенке платы для лучшего теплоотвода и легко доступен.А тот что параллельно лампе может быть расположен в другом месте,но все равно его удобнее разместить рядом с выводами для лампы.
ИНФОРМАЦИЯ ПО ИКОНКАМ И ВОЗМОЖНОСТЯМ
Вы не можете начинать темы
Вы не можете отвечать на сообщения
Вы не можете редактировать свои сообщения
Вы не можете удалять свои сообщения
Вы не можете голосовать в опросах
Вы можете вкладывать файлы
Вы можете скачивать файлы