Xsandrik
На форуме 15 лет
Сообщения: 4
Авто: Ваз 21150
PAHHA
скажите, пожалуйста, что я делаю не так? у меня получается, что все время включен свет...
спаял так, как подрисовал в вашей схеме, только конденсатор не нашел на 4,7 мк, поставил на 0,47, транзисторы нумеровал слева-направо если смотреть на надписи...
| фар.jpg |
| Описание: |
|
| Размер файла: |
66.87 KB |
| Просмотрено: |
752 раз(а) |

|
thrash
На форуме 16 лет
Сообщения: 1249
Откуда: Lebedyan 48
Авто: 09 карб 94 года была. Теперь там инж m1.5.4 Переделал :-); Seat Ibiza 2000, 1.4
Xsandrik
Мала ёмкость. В десять раз меньше положенного. Ищи кондёры номиналом 4,7 мкФ
boooka
На форуме 15 лет
Сообщения: 17
Откуда: Первоуральск, Свердловская обл.
Авто: 2115
Добрый день собрал схему на стр.1. Вместо конденсатора на 47мкф, поставил на 470мкф. Хотел что бы включение было более заметное на глаз. Однако появилась задержка перед включением. Длительностью примерно 1 минуту. Пока напряжение на затворе не достигнет -4В. Что можно сделать что бы избавиться от задержки и оставить сам плавный розжиг?
Serg_x
дэф года 2011
На форуме 17 лет
Сообщения: 27212
Откуда: Питер
Авто: Сид + ATV
boooka
Поставь низкоомный делитель на 4 вольта, и запитай от него затвор транзистора через диод. Тогда он будет быстро заряжаться до 4 вольт и далее медленно, как положено.
boooka
На форуме 15 лет
Сообщения: 17
Откуда: Первоуральск, Свердловская обл.
Авто: 2115
Вот немного поковырялся, что получилось выкладываю. В расчетах не силен. В схемах тоже.
Сейчас должна работать схема? То что дополнил выделил красным.
| ближнего света + дополнительная переделка.jpg |
| Описание: |
|
| Размер файла: |
57.67 KB |
| Просмотрено: |
752 раз(а) |

|
Последний раз редактировалось: boooka (31 Января 2011 20:08), всего редактировалось 1 раз
Serg_x
дэф года 2011
На форуме 17 лет
Сообщения: 27212
Откуда: Питер
Авто: Сид + ATV
Не надо ставить в делитель такие маленькие номиналы. Десяток килоом будет достаточно. Время заряда конденсатора легко рассчитывается - t = R*C, при емкости 10 мкф и сопротивлении 1 КОм счет идет на миллисекунды.
boooka
На форуме 15 лет
Сообщения: 17
Откуда: Первоуральск, Свердловская обл.
Авто: 2115
Сори. Тут еще ошибочка закралась. Конденсатор то я впихнул на 470 мкф. Сейчас изменю схемку, а заодно и номиналы на ней.
Serg_x
дэф года 2011
На форуме 17 лет
Сообщения: 27212
Откуда: Питер
Авто: Сид + ATV
boooka
Это роли не играет. Если было 10 мс, пусть даже стало 500 мс - это незначительно.
boooka
На форуме 15 лет
Сообщения: 17
Откуда: Первоуральск, Свердловская обл.
Авто: 2115
А схемку правильно я хоть помучил? А то сижу курю курю, а куда не знаю. Схемку перезалил.
Serg_x
дэф года 2011
На форуме 17 лет
Сообщения: 27212
Откуда: Питер
Авто: Сид + ATV
boooka
На форуме 15 лет
Сообщения: 17
Откуда: Первоуральск, Свердловская обл.
Авто: 2115
Честно говоря не знаю. Схема взята от сюда со страницы 1. Я не очень в них силен. Так могу кое чего помаленьку. По этому с вопросами и залез. Что бы умные люди мне что нибудь подсказали стоящее. Я так думаю конденсатор разряжать.
Последний раз редактировалось: boooka (01 Февраля 2011 00:02), всего редактировалось 1 раз
Serg_x
дэф года 2011
На форуме 17 лет
Сообщения: 27212
Откуда: Питер
Авто: Сид + ATV
Попробуй её работу на столе
boooka
На форуме 15 лет
Сообщения: 17
Откуда: Первоуральск, Свердловская обл.
Авто: 2115
Сегодня не могу, скорей всего завтра. То что было да работало, но задержка. Завтра попробую дополнить. Посмотрим как оно получиться. Потом отпишусь.
boooka
На форуме 15 лет
Сообщения: 17
Откуда: Первоуральск, Свердловская обл.
Авто: 2115
Так пишу опять что получилось. Вообщем назрел следующий вытекающий вопрос. Напряжение на автомобиле нестабильное, по этому схема на расчетном напряжении работает нормально. А вот на другом уже по другому. Надо как то прилепить к схемке стабилизатор напряжения на 10в.

Пишите свои мысли.
Serg_x
дэф года 2011
На форуме 17 лет
Сообщения: 27212
Откуда: Питер
Авто: Сид + ATV
boooka
Ну и насколько оно нестабильное? 13.5 - 14 вольт? это меньше 5%. Не заморачивайся.
boooka
На форуме 15 лет
Сообщения: 17
Откуда: Первоуральск, Свердловская обл.
Авто: 2115
Там порог открытия очень узкий. 12-14в как раз хватает что бы вылезти за границы. Примерно 1-2в. Вообщем если на 12в происходит плавный запуск. То при 14 уже все очень быстро.
Serg_x
дэф года 2011
На форуме 17 лет
Сообщения: 27212
Откуда: Питер
Авто: Сид + ATV
boooka
Значит надо сделать границы шире вот и все.
Это ты все это дело еще на температурную стабильность не испытывал
PAHHA
На форуме 18 лет
Сообщения: 144
Откуда: Ставрополь
Авто: ВАЗ-21053 реэкспорт + Lancer IX
boooka писал(а):Так пишу опять что получилось. Вообщем назрел следующий вытекающий вопрос. Напряжение на автомобиле нестабильное, по этому схема на расчетном напряжении работает нормально. А вот на другом уже по другому. Надо как то прилепить к схемке стабилизатор напряжения на 10в.
Пишите свои мысли.
Отцепите ваш делитель от массы и запитайте его от КРЕНки скажем на -9 вольт (которая на стабилизацию отрицательных напряжений) ну и соответственно нужен пересчет делителя на напряжение стабилизатора. КРЕНка мощная не нужна, пойдет в мелком корпусе. Кстати слишком плавное включение ночью может оказаться очень вредно, особенно после дальнего, на несколько секунд останетесь вообще без света, подумайте нужно ли это? Задача схемы беречь дорогие лампочки а попытка получить визуальные эффекты может закончиться в кювете.
Andynovosib
На форуме 15 лет
Сообщения: 3
Откуда: Новосибирск
Авто: Nissan AD
Добрый день. Взяв схему за основу и немного поэкспериментировав, пришел к такому же результату - напряжение надо стабилизировать, т.к. транзистор начинает открываться на 3.5В и к 4 В полностью открыт. Чтобы небыло большой задержки надо и вывести диапазон зарядки конденсатора как раз на эти величины (ну до 5 В на всяк случай). Только я делал для схемы с общим плюсом, но это в общем не принципиально.
| с общим плюсом.jpg |
| Описание: |
|
| Размер файла: |
21.3 KB |
| Просмотрено: |
637 раз(а) |

|
boooka
На форуме 15 лет
Сообщения: 17
Откуда: Первоуральск, Свердловская обл.
Авто: 2115
Andynovosib писал(а):Andynovosib

Схема зачет, плюсов и спасибо что то не смог найти. Только я ее на IRF 4905 переделал. И сделал более плавное включение примерно 2 сек. Думаю 2 секунды большого вреда не сделают. Сопротивление R2 уменьшил, по тому что напряжение включения транзистора было маленько повыше, чем у твоего. И была небольшая задержка включения.
Но опять нашел к чему придраться. При повторном включении, если прошло не очень много времени. Пока конденсатор не успел разрядиться полностью. Лампа загорается в полный накал. Что можно сделать что бы конденсатор разряжался быстрее?
| ближнего света (ГОТОВАЯ).jpg |
| Описание: |
|
| Размер файла: |
27.15 KB |
| Просмотрено: |
594 раз(а) |

|
Andynovosib
На форуме 15 лет
Сообщения: 3
Откуда: Новосибирск
Авто: Nissan AD
я думаю что на практике никто не будет включать-выключать непрерывно свет, поэтому нет смысла разряжать конденсатор быстро.
а у слишком долгого загорания ламп есть оборотная сторона - как здесь уже говорили при переключении с дальнего на ближний целых 2 сек вы будете без света, что при скорости на трассе хотя бы 60 км/ч не есть гуд. Я подумал и еще малость доработал схему, чтоб избавиться от этого эффекта, вот выкладываю для схем с общим минусом.
| с общим минусом 2.JPG |
| Описание: |
|
| Размер файла: |
71.94 KB |
| Просмотрено: |
778 раз(а) |

|
boooka
На форуме 15 лет
Сообщения: 17
Откуда: Первоуральск, Свердловская обл.
Авто: 2115
Попробовал включил схему под нагрузкой (. Задержка при включении вылезла еще больше. Почти минуту. Убавил емкость. Все равно задержка секунд 10 осталась. Что можно с ней сделать?
Andynovosib
На форуме 15 лет
Сообщения: 3
Откуда: Новосибирск
Авто: Nissan AD
Я собрал себе в точности по этой схеме, все работает, единственно две собранные схемы работают несколько с разными задержками ( на вид когда включаешь одновременно лампы зажигаются по разному), я думаю это из-за разброса номиналов резисторов - их нужно подбирать если это критично, и транзисторы могут тоже быть маленько разные, один у меня вообще до конца не открывался при 5 в на затворе - брак. Вот у него задержка как раз и была несколько секунд на зажигание. Очень хорошо видно работу схемы если подключить паралельно стоку-истоку лампочку ватт на 20-35.
Strikervoo
На форуме 14 лет
Сообщения: 34
Авто: 21124
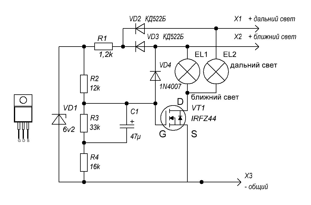
помогите настроить данную схему:
1)включение было по плавней!!!
2)выключение было по быстрей
| __210.jpg |
| Описание: |
|
| Размер файла: |
69.21 KB |
| Просмотрено: |
556 раз(а) |

|
!Lnur
На форуме 19 лет
Сообщения: 7744
Откуда: Уфа
Авто: 21102 +бодрый автобус зум-зум
Strikervoo, R1 уменьшай, R2 увеличивай, а конденсатор скорей придётся увеличить, а не уменьшить.
ИНФОРМАЦИЯ ПО ИКОНКАМ И ВОЗМОЖНОСТЯМ
Вы не можете начинать темы
Вы не можете отвечать на сообщения
Вы не можете редактировать свои сообщения
Вы не можете удалять свои сообщения
Вы не можете голосовать в опросах
Вы можете вкладывать файлы
Вы можете скачивать файлы