???
!!!
???
Вот как раз расширительный бачек в малом круге очень полезен т.к. подпитывает помпу и при резком изменении оборотов двигателя препятствует образованию кавитации, с образованием пузырьков и "схлопыванию" шлангов. Плюс ко всему стоит в зоне пониженного давления, что влияет на долговечность самого бачка.
Переделывай свой СОД и пиши о результатах. Жду

Тем более, что объем тосола с расширительный бачек погоды не сделают
4ver, а как врезал расширитель в верхний патрубок? При помощи чего? Тройник ставил,или шланг от шнивы?
.
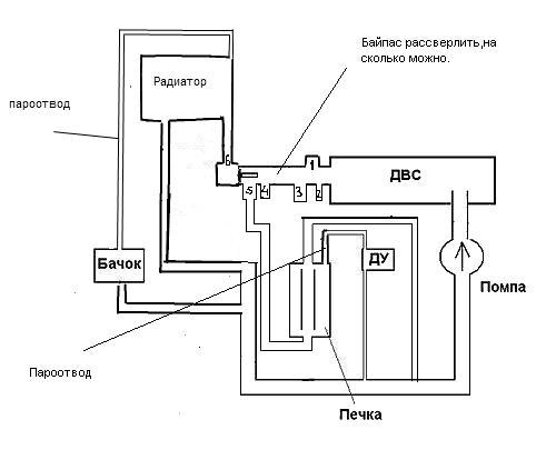
Калино сод расширитель стоит в большом круге,и работает сод хорошо,без последствий
И расширительный бачек не рвет,как на 10ках,от давления?
Печку на Калине надо периодически развоздушивать.
Дело в качестве самого бачка, его крышки а не от схемы подключения.
Откуда: Волгоградская обл.
Я уже 5 пробок сменил.
DJEKSON100
Пока не откроется большой круг - развоздушивания нет.
Откуда: Волгоградская обл.

Пока не откроется большой круг - развоздушивания нет

. Нам такого не достичь.
при прогреве лучше включать все эл. потребители-обогрев стекла, свет и т.д.
Составом смеси (если куча бензина вылетает в трубу, то испаряясь в камере сгорания сильно охлаждает двигатель не принося при этом никакой пользы)
В УАЗике - буханке когда увидел с какой скоростью прогревается салон, так просто и . Нам такого не достичь
И если при 20 0С обороты ХХ падают до 1000 об/м, то греть двигатель можно очень долго)
У Бати на 21124 прогрев в гораздо быстрее, причем все штатное, чем у меня на старом добром восьмиклапаннике.

pavel74 писал(а):
при прогреве лучше включать все эл. потребители-обогрев стекла, свет и т.д.
Потом новый аккум придётся покупать.
pavel74 писал(а):
Составом смеси (если куча бензина вылетает в трубу, то испаряясь в камере сгорания сильно охлаждает двигатель не принося при этом никакой пользы)
и
DJEKSON100 писал(а):
В УАЗике - буханке когда увидел с какой скоростью прогревается салон, так просто и . Нам такого не достичь
Там бензин льётся при прогреве как из ведра. Где связь?
pavel74 писал(а):
И если при 20 0С обороты ХХ падают до 1000 об/м, то греть двигатель можно очень долго)
Опель Зафира при заводке зимой обототы - 950 и греется быстрее нашего. Это для информации.
pavel74 писал(а):
У Бати на 21124 прогрев в гораздо быстрее, причем все штатное, чем у меня на старом добром восьмиклапаннике.
У всех наоборот. Не знаешь почему?
Смотри свечи, если черные копать смесь.
Поднять обороты ХХ в прошивке.

???

Как проявила себя летом?
Завоздушивание было?
Пароотвод радиатора переложил?
1) Не греем верхнюю часть основного радика.
1) Не греем верхнюю часть основного радика.
Вы не можете начинать темы
Вы не можете отвечать на сообщения
Вы не можете редактировать свои сообщения
Вы не можете удалять свои сообщения
Вы не можете голосовать в опросах
Вы можете вкладывать файлы
Вы можете скачивать файлы


