МаксимS
На форуме 17 лет
Сообщения: 606
Откуда: г. Николаев, Украина
Авто: ВАЗ 21114 Двиг. 21124 1,6 16V 2008г, Январь 7.2+ I205DP57
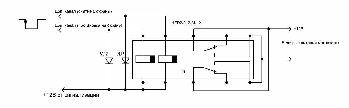
Вот схемку набросал, диоды любые напр. КД521, 1N1448
| РП_1.jpg |
| Описание: |
|
| Размер файла: |
19.06 KB |
| Просмотрено: |
370 раз(а) |

|
!Lnur
На форуме 19 лет
Сообщения: 7744
Откуда: Уфа
Авто: 21102 +бодрый автобус зум-зум
МаксимS писал(а):пустил их в разрыв силового (красного) провода магнитолы (который замком коммутируется обычно).
Это НЕ силовой провод магнитолы, а информационный.
МаксимS
На форуме 17 лет
Сообщения: 606
Откуда: г. Николаев, Украина
Авто: ВАЗ 21114 Двиг. 21124 1,6 16V 2008г, Январь 7.2+ I205DP57
!Lnur писал(а):МаксимS писал(а):пустил их в разрыв силового (красного) провода магнитолы (который замком коммутируется обычно).
Это НЕ силовой провод магнитолы, а информационный.
Действительно, основное потребление идет по желтому, и память на нем висит. Тогда трудно понять создателей жгутов ВАЗа - на контакт А4 (желтый) подходит совсем тонкий провод - (розово-белый вроде). Зато на А7 (красный) - достаточно хорошего сечения и почти красный. Для управляющего многовато сечения, при токе порядка 8 мА!!
Остается согласиться с Вашим девизом: "Говорят не повезёт, а конструктор говорит, что повезёт..."
V010
На форуме 13 лет
Сообщения: 1482
Авто: 2110 (Карб)
Подключил магнитолу через серый провод БСК - ток утечки уменьшился в два раза. Спасибо за инфу!
V010
На форуме 13 лет
Сообщения: 1482
Авто: 2110 (Карб)
Вот только вопрос: а не нунжно ли было ставить реле? Не спалю микрик в замке зажигания или еще что?
ortodox
На форуме 20 лет
Сообщения: 3414
Откуда: UA Винница
V010 писал(а):Не спалю микрик в замке зажигания или еще что?
Если подключил только красный провод , ничего не спалишь.
V010
На форуме 13 лет
Сообщения: 1482
Авто: 2110 (Карб)
ortodox писал(а):V010 писал(а):Не спалю микрик в замке зажигания или еще что?
Если подключил только красный провод , ничего не спалишь.
Да, только красный. Желтый через предохранитель подключен к "+" АКБ.
ИНФОРМАЦИЯ ПО ИКОНКАМ И ВОЗМОЖНОСТЯМ
Вы не можете начинать темы
Вы не можете отвечать на сообщения
Вы не можете редактировать свои сообщения
Вы не можете удалять свои сообщения
Вы не можете голосовать в опросах
Вы можете вкладывать файлы
Вы можете скачивать файлы