т808
вообщем мудрить с реле не сильно охота, желательно ставить "простые" автомобильные, ну и минимум переделок, чтобы в случае - чего быстро вернуть всё в схему стока.
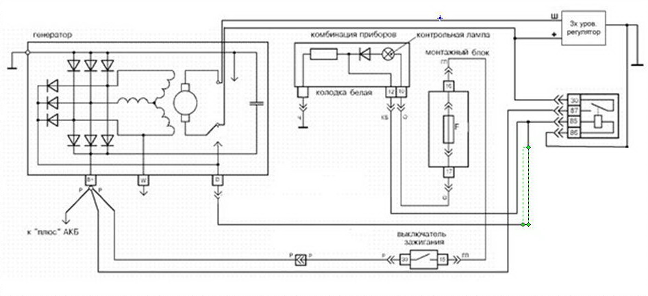
Пока рдилась вот такая схемка. Второе реле не айс конечно, но оно тушит лампочку и косвенно сообщает о наличии заряда (вернее возбуждения ).
Да, лучше проверь тестером клацает не значит замыкает... может не дотягивать..
Как я понял идея этой схемы отправить РН контролировать напряжение на АКБ, а не доп. диодах...
.
При включении ближнего напруга на БК не меняется. Цель достигнута.
и тухнет после пуска
| gena c dop rez.gif | |
|---|---|
| Описание: | Схема генератора с дополнительными резисторами в ЧЯ |
| Размер файла: | 25.47 KB |
| Просмотрено: | 483 раз(а) |
Ты же поправил меня тогда,когда я ошибочно точку поставил.Почему в параллель?Они остались как и были штатно,от них только +РН оторвал.
| допидомами в ЧЯ_resize.gif | |
|---|---|
| Описание: | Переделка схемы питания регулятора напряжения (плохое качество gif). |
| Размер файла: | 16.55 KB |
| Просмотрено: | 517 раз(а) |
,а после пуска уже с допдиодов полноценно.
То есть схема та же самая,только с одним реле
Они остались как и были штатно,от них только +РН оторвал.
Разобрались главное,и результат положительный.
Разобрались главное,

В чем смысл выкусывания допдиодов?
| ..JPG | |
|---|---|
| Описание: | переделка схемы питания "штатного" РН |
| Размер файла: | 239.31 KB |
| Просмотрено: | 474 раз(а) |
| 3х уровневика.jpg | |
|---|---|
| Описание: | переделка схемы питания 3х-уровневого РН |
| Размер файла: | 84.82 KB |
| Просмотрено: | 490 раз(а) |

Смысл в том, что питание РН служит для него же опорным напряжение и просадка по силовым диодам в подкове никоим образом не касается допдиодов - они живут "своей" жизнью, с них же в стоковой схеме и берётся питание РН.
РН получает реальную картину питания с фазных обмоток, так?
Я собственно хочу вот так сделать:
http://team-rs.ru/technical/index.php?action=show&id_group_parent=1&id_article=121
Провод с приборки надо снять с генератора или соединить с проводом на катушку реле?
или лучше АКБ.
Завожу, 14,7В. После часа работы печка на I, ближний и карлсон, ниже 14 не опустилась.
Вы не можете начинать темы
Вы не можете отвечать на сообщения
Вы не можете редактировать свои сообщения
Вы не можете удалять свои сообщения
Вы не можете голосовать в опросах
Вы можете вкладывать файлы
Вы можете скачивать файлы


